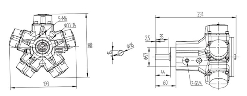
Parametre produktu AMP6:    
  Výkon: 0,56KW, výkon: 0,75HP, krútiaci moment: 7,6N.m, otáčky naprázdno: 1200RPM, spotreba plynu: 504L/min, hmotnosť: 5,6-6,9KG (rôzne spôsoby inštalácie, rôzne hmotnosti), k dispozícii sú štyri spôsoby inštalácie: základný, vertikálny, horizontálny, prírubový, voliteľný ručný ovládací ventil, brzda, reduktor, ovládač. 
     Štandardné vlastnosti:    
  Pri použití stlačeného vzduchu ako zdroja energie pre bezpečnosť a ochranu proti výbuchu má výrobok certifikát proti výbuchu a spĺňa národné bezpečnostné normy. Vysoký krútiaci moment, nízka spotreba plynu, nebude horieť v dôsledku preťaženia, plynulé nastavenie rýchlosti, štart, nastavenie, zastavenie prepnutím ovládacieho ventilu, môže okamžite zmeniť smer. Motor je navrhnutý tak, aby bol uzavretý ako celok a môže byť použitý v prašnom, vlhkom a drsnom prostredí. Široko používaný v chemickom priemysle, polovodičoch, kryštáloch, petrochémii, biochemickej technológii, továrňach na farby, automatizačných strojoch a iných priemyselných odvetviach. 
     Pracovné prostredie:    
  Kvapalina: stlačený vzduch  
  Pri použití tlaku: 5 kg/cm     2    (70 psi)  
  Maximálny pracovný tlak: 6 kg/cm     2    (85 psi)  
  Teplota okolia: -10°C~ 70°C (možno použiť len v nemrznúcom stave)  
  Mazací olej: IS0VG32 alebo podobný. (Je potrebné pridať olej s olejovou hmlou, 2~3 kvapky za minútu).  
  Nepretržité používanie: Áno (nemôže bežať nepretržite bez zaťaženia).  
  Odporúčaná rýchlosť: (0,3~1) x maximálna výstupná rýchlosť. 
Podrobné parametre
| Model | Prevodový pomer | Maximálny výkon | Krútiaci moment zastavenia | Hmotnosť (KG) | |||||||||
| Sila | Krútiaci moment | Hodnotená rýchlosť | Spotreba vzduchu | Základné | Vertikálne | Horizontálne | |||||||
| HP | KW | N.m | Ibf. ft | R.P. Mmin | L/min | CFM | N.m | Ibf. ft | KG | KG | KG | ||
| AMP6 | 0.75 | 0.56 | 7.6 | 5.6 | 650 | 504 | 17.8 | 11.5 | 8.5 | 5.6 | 6 | 6.9 | |
| G1/3 | 21.7 | 16 | 216 | 31.5 | 23.2 | " | 12.4 | 12.6 | |||||
| G1/5 | 35.6 | 26.3 | 180 | 49.5 | 36.5 | ||||||||
| G1/10 | 72 | 53.1 | 90 | 100.3 | 74 | ||||||||
| G1/15 | 106.2 | 78.4 | 60 | 155.1 | 114.5 | " | 15 | 15.2 | |||||
| G1/20 | 141.5 | 104.4 | 45 | 206.6 | 152.5 | ||||||||
| G1/30 | 209.5 | 154.6 | 30 | 305.7 | 225.6 | ||||||||
| G1/40 | 276.5 | 204.1 | 22.5 | 412.4 | 304.4 | ||||||||
| G1/50 | 345.3 | 254.8 | 18 | 506.6 | 373.9 | ||||||||
| G1/60 | 414.6 | 306 | 15 | 609.2 | 449.6 | ||||||||
| G1/80 | 542.5 | 400.4 | 11.2 | 805.3 | 594.3 | ||||||||
Schematický pôdorys:
           |                |    
| AMP6-T (základný typ) | AMP6-F (vertikálne) | 
           |                |    
| AMP6-L (horizontálne) | AMP6-IEC (typ príruby) | 
Schéma rozdelenia produktu:
  
 
| NIE | Meno | Množstvo | NIE | Meno | Množstvo | NIE | Meno | Množstvo | 
| 1 | Bývanie | 1 | 12 | Tesnenie | 5 | 23 | O-krúžky | 1 | 
| 2 | Distribučný ventil | 1 | 13 | Tesnenie tela | 2 | 24 | Kryt motora | 1 | 
| 3 | Koncové ložisko pohonu | 1 | 14 | O-krúžky | 2 | 25 | Okrúhla príruba | 1 | 
| 4 | Vreteno | 1 | 15 | Valčekové ložisko | 1 | 26 | Odvzdušňovacia skrutka | 1 | 
| 5 | Polovičná pečať | 1 | 16 | Skrutka kľukového hriadeľa | 1 | 27 | Štvorcová príruba | 2 | 
| 6 | Otvorová pružina karty | 1 | 17 | Vložka valca | 5 | 28 | Horizontálna doska | 1 | 
| 7 | Koncové ložisko pohonu | 1 | 18 | O-krúžky | 5 | 29 | Tlmič | 1 | 
| 8 | Poistný krúžok | 1 | 19 | Hlava valca | 5 | 30 | Tracheálna zátka | 1 | 
| 9 | Piest | 5 | 20 | O-krúžky | 5 | 31 | Zástrčka | 2 | 
| 10 | Spojovacia tyč | 5 | 21 | Pružinová podložka | 20 | |||
| 11 | Zastavovací špendlík | 5 | 22 | Skrutka s nástrčnou hlavou | 20 | 

V moderných systémoch priemyselného výroby, výkon energetických jednotiek priamo určuje efektívnosť a stabilitu výrobných procesov. Ako hnacie zariadenie s použitím komprimovaného vzduchu ako zdroj...
Zobraziť viacV modernom priemysle výber zariadenia prenosu energie priamo ovplyvňuje efektívnosť výroby a prevádzkovú stabilitu. Ako hnacie zariadenie poháňané stlačeným vzduchom, pozitívny posun pneuma...
Zobraziť viacV Rozsiahlej Aréne modernej prriedeselej výroby Je zdvíhacie Vybavenie nevyhnutniem „Hrdinom v Zákulisí“, Ktorý Ticho Podporyje Hladkú Prevádzku Rôznych Rôznych výrob No. Procesov. Medzi nimi, ...
Zobraziť viacZostaňte v spojení