Popis produktu:    
  Parametre produktu lamelového pneumatického motora AMV7:  
  Výkon: 7KW, konská sila: 9,5HP, krútiaci moment: 34N.m, otáčky naprázdno: 2000RPM, spotreba vzduchu: 7700L/min, hmotnosť: 33-36KG (rôzne spôsoby inštalácie, rôzne hmotnosti), k dispozícii sú tri spôsoby inštalácie: vertikálna, horizontálna , príruba, voliteľný ručný ovládací ventil, brzda, reduktor, ovládač. 
     Štandardné vlastnosti:    
  Použitie stlačeného vzduchu ako zdroja energie je bezpečné a odolné voči výbuchu. Výrobok má certifikát proti výbuchu a spĺňa národné bezpečnostné normy. Vysoká rýchlosť a vysoký krútiaci moment nebudú horieť kvôli preťaženiu. Rýchlosť sa nastavuje plynule. Riadiaci ventil sa používa na prepínanie spustenia, nastavenia a zastavenia a smer je možné okamžite zmeniť. Motor je navrhnutý tak, aby bol uzavretý ako celok a môže byť použitý v prašnom, vlhkom a drsnom prostredí. Je široko používaný v chemickom priemysle, polovodičoch, kryštáloch, petrochémii, biochemickej technológii, továrňach na farby, automatizovaných strojoch a iných odvetviach. 
     Pracovné prostredie:    
  Kvapalina: stlačený vzduch  
  Pri použití tlaku: 5 kg/cm     2    (70 psi)  
  Maximálny pracovný tlak: 6 kg/cm     2    (85 psi)  
  Teplota okolia: -10°C~ 70°C (možno použiť len v nemrznúcom stave)  
  Mazací olej: IS0VG32 alebo podobný. (Je potrebné pridať olej s olejovou hmlou, 2~3 kvapky za minútu).  
  Nepretržité používanie: Áno (nemôže bežať nepretržite bez zaťaženia).  
  Odporúčaná rýchlosť: (0,3~1) x maximálna výstupná rýchlosť. 
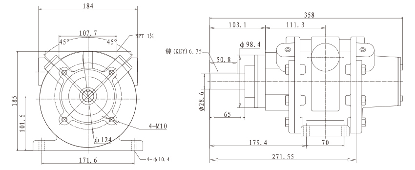
Podrobné parametre
AMV7-L
     
   
AMV-F
     
   
| Model | Prevodový pomer | Dátum pri maximálnom výkone | Údaje pri maximálnom krútiacom momente | Hmotnosť (KG) | ||||||||
| Sila | Krútiaci moment | Rýchlosť | Spotreba vzduchu | Maximálny krútiaci moment | Vertikálne | Horizontálne | Príruba | |||||
| H P | KW | N.m | lbf.ft | ot./min | L/min | N.m | lbf.ft | KG | KG | KG | ||
| AMV7 | 9.5 | 7 | 34 | 25 | 2000 | 7900 | 53 | 39.1 | 33 | 33 | 36 | |
| 1/5.3 | 170 | 125.5 | 375 | 243 | 179.3 | 61 | 64 | ※ | ||||
| 1/9.9 | 305 | 225.1 | 200 | 446 | 329.1 | |||||||
| 1/15,35 | 465 | 343.2 | 130 | 695 | 512.9 | |||||||
| 1/27,88 | 851 | 628 | 70 | 1321 | 974.9 | |||||||
| 1/47,58 | 1425 | 1051.7 | 42 | 2165 | 1597.8 | 99 | 102 | ※ | ||||
| 1/59,92 | 1720 | 1269.3 | 30 | 2695 | 1988.9 | |||||||
| 1/80,91 | 2280 | 1682.6 | 24 | 3607 | 2662 | 256 | 266 | ※ | ||||
| 1/103,2 | 2987 | 2204.4 | 19 | 4780 | 3527.6 | |||||||
| 1/156,31 | 4458 | 3290 | 12 | 7215 | 5324.7 | |||||||

V moderných systémoch priemyselného výroby, výkon energetických jednotiek priamo určuje efektívnosť a stabilitu výrobných procesov. Ako hnacie zariadenie s použitím komprimovaného vzduchu ako zdroj...
Zobraziť viacV modernom priemysle výber zariadenia prenosu energie priamo ovplyvňuje efektívnosť výroby a prevádzkovú stabilitu. Ako hnacie zariadenie poháňané stlačeným vzduchom, pozitívny posun pneuma...
Zobraziť viacV Rozsiahlej Aréne modernej prriedeselej výroby Je zdvíhacie Vybavenie nevyhnutniem „Hrdinom v Zákulisí“, Ktorý Ticho Podporyje Hladkú Prevádzku Rôznych Rôznych výrob No. Procesov. Medzi nimi, ...
Zobraziť viacZostaňte v spojení